Kvalitetni Mikro Prekidač – Limit Switch KW11-3Z
Predstavljamo visokokvalitetni mikro prekidač specijalno dizajniran za različite aplikacije gde je preciznost i pouzdanost ključna. Ovaj prekidač je idealan izbor za one koji traže trajno i efikasno rešenje za svoje električne potrebe.
Ključne karakteristike:
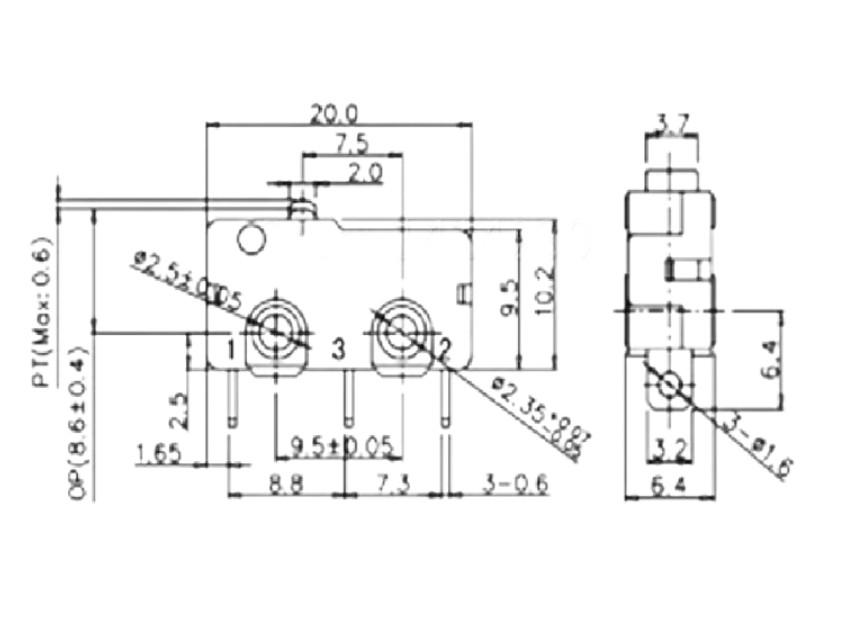
- Tip: Limit Switch KW11-3Z
- Kontakti: 3 Pin (N/O, N/C)
- Napajanje: 5A pri 250VAC
- Stanje: Potpuno nov i visokog kvaliteta
Specifikacija: Naš mikro prekidač nudi izuzetno trajne kontakte koji garantuju dugotrajnu i stabilnu upotrebu. Sa 3 pina, uključujući i normalno otvoreni (N/O) i normalno zatvoreni (N/C) kontakt, ovaj prekidač je prilagođen širokom spektru aplikacija.
Primena: Idealno za industrijske mašine, električne uređaje, kućne aparate i mnoge druge primene gde je potrebna precizna kontrola i odziv.
Uverite se u kvalitet i pouzdanost našeg Limit Switch mikro prekidača. Odlikuje se dugotrajnošću i pruža tačnu kontrolu u svim aplikacijama.





Recenzije
Još nema komentara.